
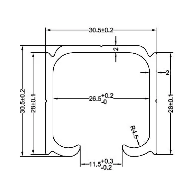
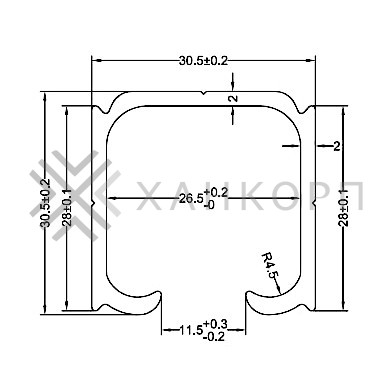
Трек для раздвижной системы FDS-15 с артикулом FDS-151.2 AL/AN представляет собой ключевую составляющую системы, обеспечивающую свободное перемещение дверного полотна. Изготовлен из анодированного алюминия, что придает изделию эстетичный внешний вид и защищает его от внешних воздействий. Общая длина изделия составляет 2 метра, что позволяет успешно интегрировать его в большинство типов помещений, включая жилые квартиры, офисы и коммерческие здания.
Представленная фотография наглядно иллюстрирует порядок монтажа дополнительного компонента — элемента FDS-155, который крепится непосредственно на предложенный трек. Данный элемент играет вспомогательную роль в работе системы, увеличивая надежность и долговечность всей конструкции. Важно отметить, что правильная установка всех составляющих элементов оказывает значительное влияние на качество и длительность эксплуатации раздвижной системы.
Тип фурнитуры | комплекты раздвижных систем |
Длина | 2 м |
Материал | алюминий |
Цвет | алюминий анодированный |