
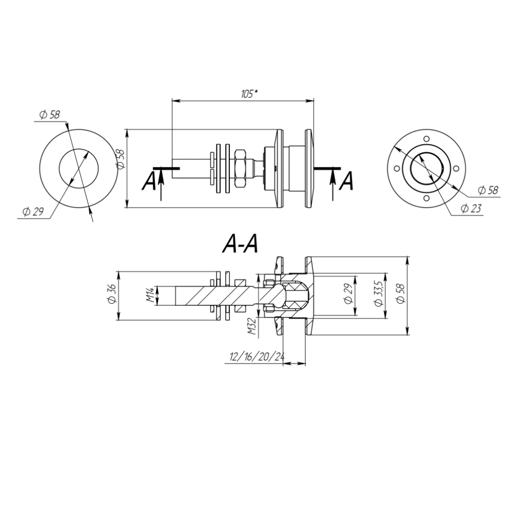
Шарнирное крепление рутеля (FN-101 SUS316/SSS)
Область применения: Предназначено для монтажа стеклянных и поликарбонатных козырьков, навесов над входами в магазины, подвалы и зоны отдыха курящих. Является ключевым элементом системы крепления, принимающим на себя всю массу конструкции и обеспечивающим её стабильное функционирование.
Конструкция: Шарнирное устройство, позволяющее плавно регулировать угол наклона стекла относительно горизонтального основания. Монтаж осуществляется без необходимости предварительной зенковки отверстий, что облегчает процесс установки и снижает риск повреждения материала.
Параметры и технические характеристики:
- Артикул: FN-101 SUS316/SSS
- Соединение типа: Стекло-рутель
- Подходящий диаметр резьбы: 14 мм (М14)
- Рекомендуемая толщина стекла: 16–24 мм
- Допустимая максимальная нагрузка: 250 кг
- Материал: Высокоустойчивая нержавеющая сталь марки SUS316
- Отделка: Матовая поверхность (SSS)
Преимущества:
- Универсальность использования с различными материалами облицовки (стекло, поликарбонат);
- Прочная антикоррозийная защита, увеличивающая срок службы изделия;
- Возможность точной настройки угла поворота рутеля для удобства монтажа и повышения устойчивости конструкции;
- Эстетичная матовая отделка, сохраняющая презентабельность и защищенность от внешних воздействий длительное время.
Подходит для широкого спектра фасадных и интерьерных проектов, обеспечивая качественную и долговечную фиксацию остекленных покрытий.
Шпилька (винт) | М14 |
Тип фурнитуры | рутели и ванты |
Толщина стекла | 12 мм, 6+6 мм, 14 мм, 15 мм, 16 мм, 8+8 мм, 22 мм, 24 мм |
Материал | нержавеющая сталь SUS304 |
Цвет | матовый (брашированный) |